← ford truck engine parts diagram ford truck f 750 fuse diagram →
Ford F 450 Fuse Box - Wiring Diagram. 17 Images about Ford F 450 Fuse Box - Wiring Diagram : 31 02 F350 Fuse Panel Diagram - Free Wiring Diagram Source, 2004 Ford F350 Fuse Box Diagram - Wiring Diagram Database and also 2004 Ford F350 Fuse Box Diagram - Wiring Diagram Database.
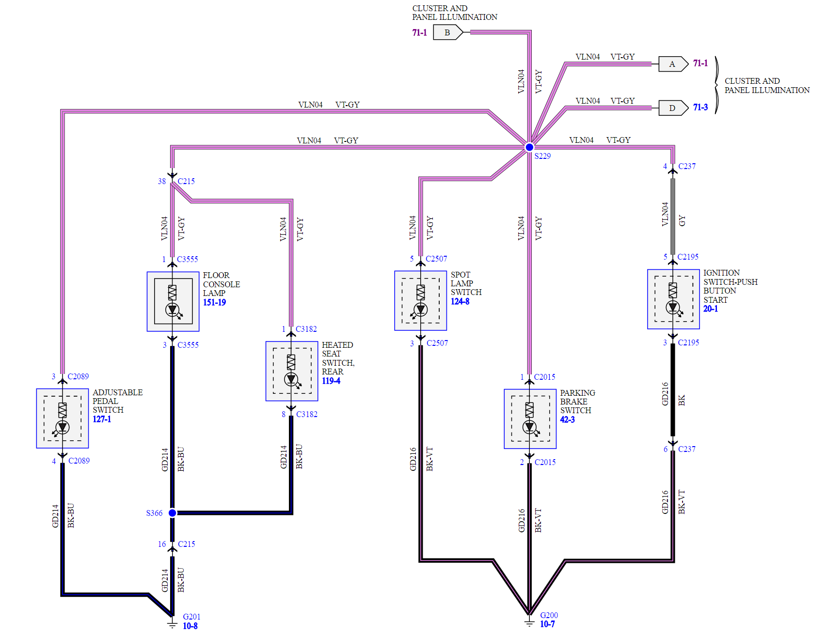
Ford F 450 Fuse Box - Wiring Diagram
2009 FORD F550 FUSE BOX DIAGRAM - Auto Electrical Wiring Diagram
wiringdiagram.herokuapp.com
f550 f450 f250 fuses diagramweb justanswer schemas
F350 Diesel Power Stroke Fuse Box Diagram | Fuse Panel, Ford F650, 2006
www.pinterest.com
diesel powerstroke fuse f350 f250
2004 Ford F350 Fuse Box Diagram - Wiring Diagram Database
wiringdiagram99.blogspot.com
fuse f150 diagram ford box panel 2004 150 1996 1995 1978 wiring where xlt layout engine f350 f250 diagrams 2008
Ford Truck Fuse Panel Diagram - Wiring Diagram
ni3-08.blogspot.com
fuse diagram 1989 ford f150 panel turn signal wiring truck f250 lights flasher electrical switch howtorepairguide working theory basic pickup
98 Ford F250 Fuse Diagram / Fuse Panel Diagram Ford Truck Enthusiasts
wiringdiagram001.blogspot.com
fuse f350 fotohostingtv
I Need The Color Schematic For The Wiring Harness That Goes To The Fuse
www.justanswer.com
lights fuse f550 reverse ford parking justanswer box xlt blinkers schematic
Cab Fuse To Tap For Switched Light - Ford F150 Forum - Community Of
www.f150forum.com
35 02 F350 Fuse Panel Diagram - Wiring Diagram List
skippingtheinbetween.blogspot.com
fuse diagram ford f250 2002 box duty super diesel 2008 f350 panel powerstroke wiring lights 4x4 turn carfusebox 1999 power
[DIAGRAM] 2011 Ford F450 Wiring Diagram FULL Version HD Quality Wiring
bpmndiagrams.gtve.it
f350 f450 f250 lock u0026 routing
2003 Ford F250 Fuse Box Diagram | Fuse Box And Wiring Diagram
stickerdeals.net
fuse diagram 2003 ford box f250 wiring f450 duty super brake light diagrams automotive cargurus helpful found put know where
31 02 F350 Fuse Panel Diagram - Free Wiring Diagram Source
fuse diagram panel f350 ford f450 wiring fixya beams solved camper
Where Do I Find The Fuse Panel Diagram For A Ford F250 Sup
www.justanswer.com
fuse diagram f250 ford panel sup 2009 where helps hope
2004 Ford F350 Fuse Box Diagram - Wiring Diagram Database
wiringdiagram99.blogspot.com
fuse diagram f250 2004 ford box trailer f350 wiring lights brake duty send please super diesel 2007 under could fx4
Ford F550 Fuse Panel Diagram - Wiring Diagram
cars-trucks24.blogspot.com
f550 f450
2005 F150 Ford Fuse Panel Diagram | Use Your Dvom And See If You Have
www.pinterest.com
fuse f150 2005 ford diagram box panel location lariat 150 justanswer seat power driver layout relay alternator 4x4 dvom use
72 F100 Fuse Block - Ford Truck Enthusiasts Forums
www.ford-trucks.com
fuse ford diagram wiring box f100 thunderbird 1970 1977 block panel truck 1955 1965 1969 diagrams schematics tech 1996 fordification
Fuse diagram f250 ford panel sup 2009 where helps hope. 31 02 f350 fuse panel diagram. Ford f 450 fuse box
