Technical Car Experts Answers everything you need: More details for. 15 Images about Technical Car Experts Answers everything you need: More details for : Ford Fuel Injection Wiring Diagram - Fuse & Wiring Diagram, 1990 ford f250,no cranking spark,fuel pump does not cycle now but did and also One Fuel Injector Not Working: One Injector Does Not Work. Voltage....
Technical Car Experts Answers Everything You Need: More Details For
technoanswers.blogspot.com
f250 powerstroke 3l engine l9000 sensor f350
Need Recommendations For Fuel Injectors - Ford Truck Enthusiasts Forums
www.ford-trucks.com
1986 injectors fuel recommendations need ford forums engine electronic control f150 problems o2 efi sensor issue trucks
5 Tips For Diagnosing A Common Rail Fuel Injection System - NW Fuel
nwfuel.ca
fuel system rail injection common bosch valve
| Repair Guides | Electronic Multi-point Fuel Injection (mpfi) | Fuel
www.autozone.com
fuel injector wiring injection multi point fig autozone repair removal
2001 7.3 Powerstroke Engine - Forged Internals - Ford Truck Enthusiasts
www.ford-trucks.com
ford 2001 powerstroke engine forged internals sold
1999 Ford Powerstroke Injector Driver Module
automotorpad.com
module injector driver ford diesel powerstroke 1999 idm
Series 3 - Sender Unit/ Fuel Gauge Issues | LandyZone - Land Rover Forum
sender fuel unit series rover land connections gauge issues landyzone float passenger side
2010 Ford F150 6.2L V-8 Firing Order — Ricks Free Auto | Wiring And
fordfiringorder.com
firing chevy wiring gtsparkplugs lsx encendido ricks fordfiringorder americanos
[MF_0919] Moreover Chevy 350 Tbi Performance On 91 Chevy 350 Tbi Vacuum
gue45.umng.mohammedshrine.org
tbi wiring chevy
One Fuel Injector Not Working: One Injector Does Not Work. Voltage...
www.2carpros.com
injector
40 Ford 6.0 Injector Harness - Wiring Niche Ideas
eduhubgeek.blogspot.com
injector powerstroke injectors 0l
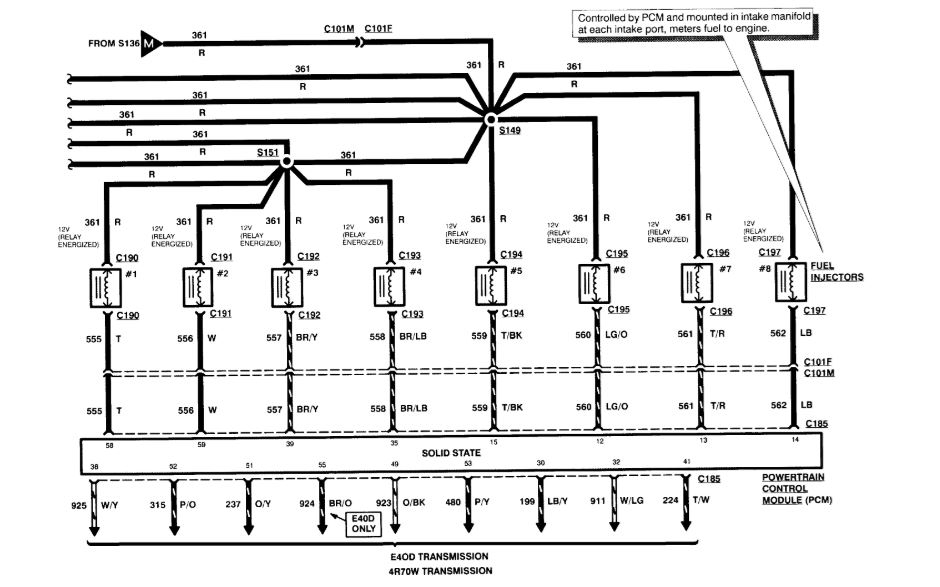
Ford Fuel Injection Wiring Diagram - Fuse & Wiring Diagram
fusewiring.blogspot.com
harness
Car & Truck Fuel Inject. Controls & Parts 03-10 FORD 6.0 6.0L
survey.ifiber.tv
powerstroke ficm
E-Series Ford 289/302 Windsor Quad E-Series Stack Injection
www.efihardware.com
windsor
1990 Ford F250,no Cranking Spark,fuel Pump Does Not Cycle Now But Did
www.justanswer.com
f250 ford 1990 pump fuel ecm cranking pcm coil wires rebuilt dist question ask own
One fuel injector not working: one injector does not work. voltage.... Firing chevy wiring gtsparkplugs lsx encendido ricks fordfiringorder americanos. Car & truck fuel inject. controls & parts 03-10 ford 6.0 6.0l
