← ford explorer ignition wiring diagram ford explorer mirror wiring diagram →
30 2002 Ford Ranger Heater Hose Diagram - Wiring Database 2020. 18 Pics about 30 2002 Ford Ranger Heater Hose Diagram - Wiring Database 2020 : Ford Explorer Questions - 2013 Explorer Base Electrical Issue - CarGurus, 2004 Ford Explorer no crank no start — ok and also SOLVED: Need wiring schematics ford explorer with 4.0 - Fixya.
30 2002 Ford Ranger Heater Hose Diagram - Wiring Database 2020
mountaineer 6l
2004 Ford Expedition Vacuum Hose Diagram - Wiring Site Resource
wiringdatabaseinfo.blogspot.com
vacuum diagram expedition 2004 ford hose 2003 egr valve 1999 crown solenoid hoses system exhaust recirculation gas vic schematic repair
[VR_9643] 2000 Ford Ranger Steering Column Diagram Wiring Diagram
osuri.opein.ommit.cette.mohammedshrine.org
ignition f150 actuator replacement cylinder steering ford column diagram 2000 ranger rod wiring
2003 Ford Ranger Starter Wiring Diagram - 1996 Ford Ranger Under Hood
gazryngu8.blogspot.com
pcm imageservice ignition circuit
92 Ford Explorer Ignition
automotorpad.com
explorer ignition ford 1992 diagram switch steering wiring column 2009 system wires source cargurus
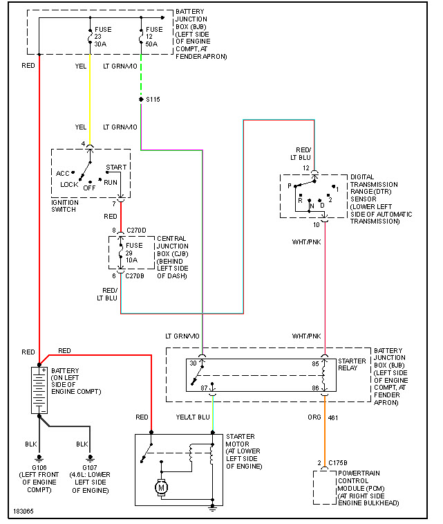
[DIAGRAM] 99 Ford Explorer Ignition Wiring Diagram FULL Version HD
pianochorddiagrams.studioeufonia.it
u0026
I Need Wiring Diagram To Starter On 1994 Ford Explorer - Fixya
www.fixya.com
wiring diagram explorer 1994 ford need fixya starter
Condition Price
www.faxonautoliterature.com
2000 Ford Ranger Wiring Diagram
www.chanish.org
b2500 justanswer xlt harness diagrams easyautodiagnostics 5l
1966 Ford Mustang Colorized Wiring Diagrams CD-ROM
www.auto-repair-manuals.com
mustang colorized
2004 Ford Explorer No Crank No Start — Ok
meurt-passato.com
Ford F53 Ignition Wiring - Wiring Diagram
f53 ignition wrg 1757
Ford Explorer Questions - 2013 Explorer Base Electrical Issue - CarGurus
www.cargurus.com
imageservice wiper harness
Will Not Start: Turn Ignition To Crank It Will Not Start Or Turn
www.2carpros.com
explorer start ignition 2004 ford
2004 Ford Explorer Won't Start - Automotive Repairs - Page 2 - DIY
www.diychatroom.com
explorer 2004 ford start ignition won diagram wiring re
SOLVED: Need Wiring Schematics Ford Explorer With 4.0 - Fixya
www.fixya.com
firing fixya wiring sohc 1998 expedition schematics u42t cylinder 2wd misfire coils helps f250 ty
Dictator Fuel Management Wiring Diagram - Diagram Types
dictator wiring
2004 Ford Explorer Wiring Diagram
strawberry-sweet.blogspot.com
ford ba wiring diagram wire explorer 2004 assembly source oem
Ford f53 ignition wiring. Mountaineer 6l. Dictator fuel management wiring diagram
