← ford explorer 2010 fuse box ford explorer alternator wiring diagrams →
[LG_7570] 2013 Ford Map Sensor Wiring Diagram Schematic Wiring. 15 Images about [LG_7570] 2013 Ford Map Sensor Wiring Diagram Schematic Wiring : 1994 Ford Explorer Alternator Diagram: Where Does the Alternator, Ford Explorer Wiring Diagram Alternator and also Ford Explorer Alternator Parts, View Online Part Sale - BuyAutoParts.com.
[LG_7570] 2013 Ford Map Sensor Wiring Diagram Schematic Wiring
anal.acion.elinu.numap.mohammedshrine.org
ford explorer p0106 sensor ranger map location problem cargurus diagram dpfe wiring questions engine air flow maf mass 6l fusion
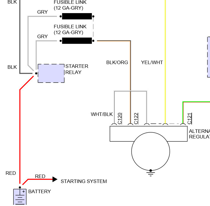
1998 Ford Explorer Alternator: White Wire To Allternator - Is This...
www.2carpros.com
explorer alternator ford 1998 charging system
2006 Ford Explorer Alternator - Greatest Ford
bumpybrowsanguina.blogspot.com
ford alternator explorer 2006 replace 2002
How To Replace A V6 Ford Explorer Alternator - YouTube
www.youtube.com
alternator explorer ford v6
98 Ford Explorer Alternator Wiring Diagram - Wiring Diagram Networks
alternator
Ford Explorer Wiring Diagram Alternator
wiringdiagramall.blogspot.com
alternator 2carpros 130a
2004 Ford Explorer 4 0 Engine Diagram : 2000 Ford Explorer 4 0 Fuse
carrolinejodi.blogspot.com
imageservice 2003
98 Expedition Not Charging,replaced Alternator,battery,belt And Belt
www.justanswer.com
ford wiring alternator ranger diagram system charging regulator voltage battery 2000 2002 2003 1999 expedition explorer escort 2carpros 1998 belt
Good Alternator, Battery, Volt. Reg - What's Wrong? - Page 2 - Ford
wiring ford alternator diagram f100 ignition 1970 f250 trucks f150 1977 wire solenoid chevy truck forums battery reg instrument regulator
Starcraft Ford Conversion Van Wiring Diagram Explorer Fine Bus To
www.pinterest.com
wiring diagram chevy chevrolet fuse 1988 van block truck c10 starcraft gmc engine 1986 1500 s10 silverado 1993 trailer conversion
2001 Ford Focus Belt Diagram
www.tankbig.com
belt diagram ford lincoln ls 2001 focus serpentine engine timing diagrams mercury sable v6 2002 routing crown continental belts zetec
Ford Explorer Alternator Parts, View Online Part Sale - BuyAutoParts.com
www.buyautoparts.com
alternator explorer ford parts buyautoparts
2004 Chevy Venture Fuse Box Diagram
coveredinsparkles.blogspot.com
harness diagrams cruze orenco colorpaints headcontrolsystem chanish schematics s13 easywiring autocardesign
1994 Ford Explorer Alternator Diagram: Where Does The Alternator
www.2carpros.com
alternator explorer 1994 diagram ford
Ford Explorer Engine Diagram Alternator - Wiring Diagram
cars-trucks24.blogspot.com
explorer ford alternator diagram engine batteries alternators starters replacement
98 ford explorer alternator wiring diagram. 2004 ford explorer 4 0 engine diagram : 2000 ford explorer 4 0 fuse. [lg_7570] 2013 ford map sensor wiring diagram schematic wiring
