← ford expedition interior fuse box diagram ford expedition o2 sensor wiring diagram →
98 Ford Expedition Wiring Diagram - Wiring Diagram Networks. 17 Pictures about 98 Ford Expedition Wiring Diagram - Wiring Diagram Networks : My 2001 expedition 5.4L has times that it wont start. You turn the key, 2007 ford expedition, bright lights will not work the indicator on the and also 2003 F150 Fuse Diagram : 2003 Ford Expedition Fuse Box Wiring Diagram.
98 Ford Expedition Wiring Diagram - Wiring Diagram Networks
kelvin-okl.blogspot.com
expedition diagram wiring ford switch ignition solenoid starter wont start relay
I Have A 2004 Ford Expedition. When I Turn The Key I Hear The Starter
www.justanswer.com
ford expedition 2004 starter relay hear nothing question ask own
Ignition Module Wiring Diagram Colors? - Ford Truck Enthusiasts Forums
wiring ignition diagram module ford colors forums
1987 Ford F150 Starter Solenoid Wiring Diagram - Wiring Diagram
facybulka.me
f150 1987 coil f150online 1977 selonoid dscn1377
Ignition Module Wiring - Ford Truck Enthusiasts Forums
ignition wiring diagram duraspark mustang ford module distributor conversion electronic control 1966 1974 resistor truck system engine f250 early ii
Ford Expedition 2003 Auxiliary Relay Fuse Box/Block Circuit Breaker
www.carfusebox.com
2003 ford expedition relay fuse diagram auxiliary box trailer circuit brake breaker expediton block panel carfusebox tow signal turn
2000 Ford Truck Explorer 4WD 4.0L MFI SOHC 6cyl | Repair Guides
www.autozone.com
2002 wiring diagram warning lamps autozone explorer ford warn fig 0l
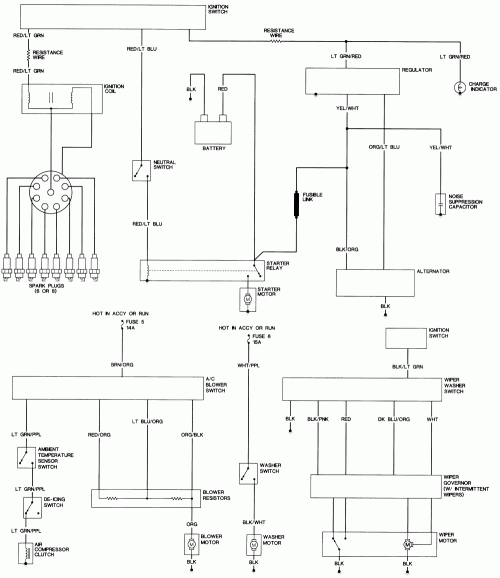
Ford Expedition Ignition Wiring Diagram
ignition
2000 Ford Expedition 5.4 L Firing Order | Wiring And Printable
fordfiringorder.com
ford f150 engine v6 2005 2000 diagram 2001 2l 150 firing order expedition xlt parts wiring cylinder upgrades transmission fuse
Wiring Diagram For Starter 1998 Ford Expedition At | Ford Expedition
br.pinterest.com
expedition fuse alternator volovets
2007 Ford Expedition, Bright Lights Will Not Work The Indicator On The
www.justanswer.com
expedition ford 2007 wiring electrical headlights diagram schematic box junction smart indicator dim lights sjb light source
2006 Ford Five Hundred Firing Order | Ford Firing Order
fordfiringorder.com
ford diagram expedition spark plug coil f150 pack escape 2001 ignition 2006 plugs order wire firing replacement engine 1999 five
99 Ford Explorer Ignition Wiring Diagram - Wiring Diagram Networks
kelvin-okl.blogspot.com
ford wiring diagram explorer theft anti ignition reset please help
2003 F150 Fuse Diagram : 2003 Ford Expedition Fuse Box Wiring Diagram
wiring09.blogspot.com
fuse fuses wire diagrams justanswer
1997 Ford Expedition $ Wheel Drive Will Not Engage.
www.2carpros.com
ford expedition wiring engage 1997 wheel drive
My 2001 Expedition 5.4L Has Times That It Wont Start. You Turn The Key
www.justanswer.com
diagram expedition wiring ford f150 1998 2005 starter 2001 start solenoid radio crank 4l relay ignition schematic won cargurus justanswer
Ford Wiring Diagrams | Electrical Connector | Electrical Wiring
expedition pcm codes
2006 ford five hundred firing order. Expedition ford 2007 wiring electrical headlights diagram schematic box junction smart indicator dim lights sjb light source. F150 1987 coil f150online 1977 selonoid dscn1377
